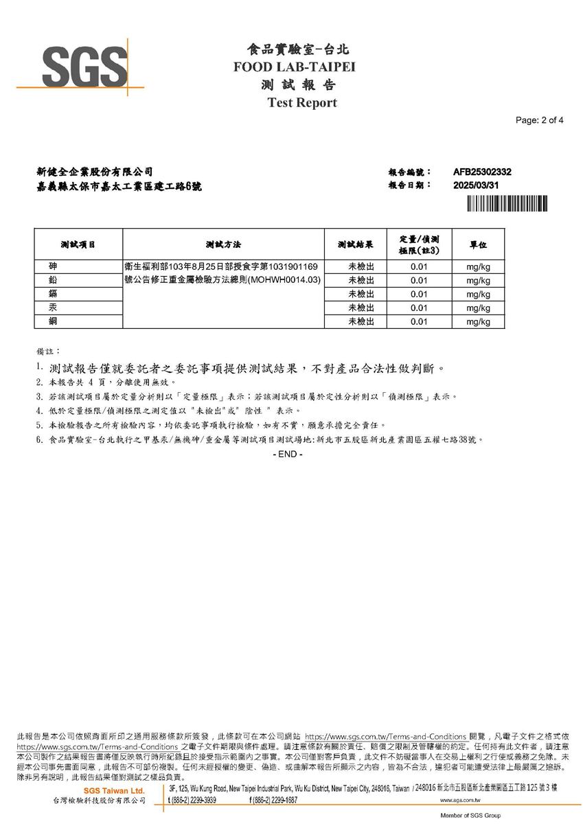
大豆胺基酸液重金屬檢驗報告
 
 
電話:05-2378833 傳真:05-2378805
[email protected] 612嘉義縣太保市嘉太工業區建工路6號
Copyright ©TAIWAN HVP ENTERRISE CO..LTD . All Rights Reserved